常春岛资源网 Design By www.syssdc.com
此处介绍如何用PS将图层上线条改变颜色,希望能帮到大家。共同进步!
- 软件名称:
- Adobe Photoshop 8.0 中文完整绿色版
- 软件大小:
- 150.1MB
- 更新时间:
- 2015-11-04立即下载
1、用PS软件打开需要改变颜色的图片。
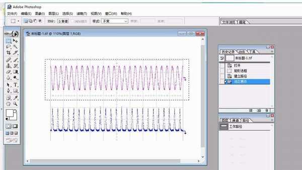
2、点击“矩形选框工具(M)”,选中需要改变颜色的曲线,如下图。此处我要改变洋红色曲线为蓝色曲线。
3、右击,点击“建立工作路径”。弹出对话框,点击“确定”。此时,在“路径”的下拉菜单中出现新的“工作路径”。
4、右击“工作路径”,点击“建立选区”。弹出对话框,点击“确定”。如图,选区变成曲线。
5、点击菜单栏“图像”->“调整”->“色相/饱和度”,出现“色相/饱和度”对话框。
6、在“编辑”框内选中任意一种颜色,此处我选择的是“洋红”。此时,可以看到吸管工具变得可用。选中“吸管工具(I)”。将吸管在想要改变颜色的曲线上吸一下。成功后,可以看到此处变成了曲线上的颜色。
7、拉动“色相/饱和度”调整框里面的“色相”小滑块到合适的位置,再拉动“饱和度”和“明度”小滑块进行微调,直至变换到想要的颜色为止。调整好后,点击“确定”。OK!
相关推荐:
PS纯色背景的图怎么抠图?
ps怎么给手绘图形上色?
ps怎么个照片调出旧报纸感时尚色彩?
标签:
ps,曲线,颜色
常春岛资源网 Design By www.syssdc.com
广告合作:本站广告合作请联系QQ:858582 申请时备注:广告合作(否则不回)
免责声明:本站文章均来自网站采集或用户投稿,网站不提供任何软件下载或自行开发的软件! 如有用户或公司发现本站内容信息存在侵权行为,请邮件告知! 858582#qq.com
免责声明:本站文章均来自网站采集或用户投稿,网站不提供任何软件下载或自行开发的软件! 如有用户或公司发现本站内容信息存在侵权行为,请邮件告知! 858582#qq.com
常春岛资源网 Design By www.syssdc.com
暂无评论...
P70系列延期,华为新旗舰将在下月发布
3月20日消息,近期博主@数码闲聊站 透露,原定三月份发布的华为新旗舰P70系列延期发布,预计4月份上市。
而博主@定焦数码 爆料,华为的P70系列在定位上已经超过了Mate60,成为了重要的旗舰系列之一。它肩负着重返影像领域顶尖的使命。那么这次P70会带来哪些令人惊艳的创新呢?
根据目前爆料的消息来看,华为P70系列将推出三个版本,其中P70和P70 Pro采用了三角形的摄像头模组设计,而P70 Art则采用了与上一代P60 Art相似的不规则形状设计。这样的外观是否好看见仁见智,但辨识度绝对拉满。
更新日志
2026年04月09日
2026年04月09日
- 小骆驼-《草原狼2(蓝光CD)》[原抓WAV+CUE]
- 群星《欢迎来到我身边 电影原声专辑》[320K/MP3][105.02MB]
- 群星《欢迎来到我身边 电影原声专辑》[FLAC/分轨][480.9MB]
- 雷婷《梦里蓝天HQⅡ》 2023头版限量编号低速原抓[WAV+CUE][463M]
- 群星《2024好听新歌42》AI调整音效【WAV分轨】
- 王思雨-《思念陪着鸿雁飞》WAV
- 王思雨《喜马拉雅HQ》头版限量编号[WAV+CUE]
- 李健《无时无刻》[WAV+CUE][590M]
- 陈奕迅《酝酿》[WAV分轨][502M]
- 卓依婷《化蝶》2CD[WAV+CUE][1.1G]
- 群星《吉他王(黑胶CD)》[WAV+CUE]
- 齐秦《穿乐(穿越)》[WAV+CUE]
- 发烧珍品《数位CD音响测试-动向效果(九)》【WAV+CUE】
- 邝美云《邝美云精装歌集》[DSF][1.6G]
- 吕方《爱一回伤一回》[WAV+CUE][454M]













